AVN Gruppen
|
AVN Teknik
|
AVN Pladeteknik
|
Masytec
Vagttelefon:+45 70 24 45 18
Kundeservice +45 70 20 04 11
Om AVN Hydraulik
|
Kontakt
Vores løsninger
Systemer og anlæg
Komponenter
Hydraulikslanger
Centralsmøring
Service
Driftssikkerhed
Reparation
Offshore og marine
Hydraulikmontage
Parker Store i Aalborg
Vores partnere
Parker Hannifin
Bosch Rexroth
MasterMover
DS/EN ISO 9001:2015
Webshop
Quick Guide Program
Tilbehør til PV+
Variable stempelpumper, PV+
Tandhjulspumper
Retnings- og sandwichventiler - NG6 / Cetop3
Retnings- og sandwichventiler - NG10 / Cetop5
Tilbehør ventiler
Tankudstyr & tilbehør
Montageplader NG6 & NG10
Rækkemontageblokke NG6
Patron ventiler / blokke
Vis alle
Akkumulatorer og cylindre
Akkumulatorer
Roterende aktuatorer
Lineære aktuatorer og cylindre
Fittings og lynkoblinger
Adaptere
Flare og skærerings fittings
Instrumenteringsfittings
Hydrauliske lynkoblinger
Værktøj
Rørfittings og portadaptere
Hydrauliske DIN-fittings
Hydraulikfiltre
Tanktop Mounted Return Line Filter - TTF Series
High Pressure Inline Hydraulic Oil Filter – iProtect® EPF Series
Medium Pressure Inline Hydraulic Oil Filter – iProtect® GMF Series
High Pressure In-Line Filter - 18/28/38P Series
Low Pressure Tank Top Filters GLF Series
Tank Top Return Line Hydraulic Oil Filter – iProtect® GLF Series
High Pressure In-Line Filter - 100P Series
High Pressure Inline/Duplex Filter 15P/30P/30PD Series
Medium Pressure In-Line Filter - 45M Series
Tanktop Mounted Return Line Filter - BGT Series
Vis alle
Kølere
Air Oil Cooler with Hydraulic Motor - LHC series - (Europe)
Brazed Plate Water Oil Cooler - PWO series - (Europe)
Air Oil Cooler with DC Motor - ULDC Series - (Americas)
Integrated Pressure Bypass Kit for Air Oil Coolers - (Americas)
SWO - Shell and Tube Water Oil Coolers - (Europe)
MAC - Air Oil Cooler with AC motor for Marine Applications - (Europe)
AIR OIL COOLER WITH DC MOTOR - LDC SERIES(AP)
Brazed Plate Water Oil Cooler - PWO Series(AP)
QAC - Quiet Air Oil Cooler with AC Motor - (Europe)
Quiet Air Fluid Cooler with DC motor - QDC series - (Europe)
Vis alle
Ventiler
Retningsventiler
Drøvle ventiler og kuglehaner
Kontraventiler
Patronventiler
Proportionalventiler
Trykreguleringsventiler
Flow ventiler
Elektronik / Styrekort
Manifolds
Ventiltilbehør/-sæt
Vis alle
Powerunit & Hydraulikblokke
Manifolds & stacking assembly plates
Module program
Manifolds
Plates (with valves)
Plates (without valves)
Manifolds: Spare & single parts
Manifolds & stacking assembly plates
AT: manifolds
Power units & complete systems: Others
Special Technologie (VTE:Transport)
Vis alle
Pumper
Pumpetilbehør / Styrekort
Pumpereservedele
Hydrauliske pumper
Tandhjulspumper
Hydrostatiske pumper
Stempelpumper
Vingepumper
Slange- og rør
Slange
Rør
Slange afskærmning og sikring
Rør holdere og spændbånd
Slange presser og udstyr
Flanger
Sensorer og måleudstyr
Olie renheds og tilstands instrumenter
Sensorer
Diagnostic Testing Equipment
Globe Light Streamline Icon: https://streamlinehq.com
Sprog
Log ind
Kurv
0
Søg efter varegrupper, produkter eller indhold
Webshop
Quick Guide Program
Retnings- og sandwichventiler - NG10 / Cetop5
Sandwichventil Trykreduktion
Sandwichventil Trykreduktion
Previous
Next
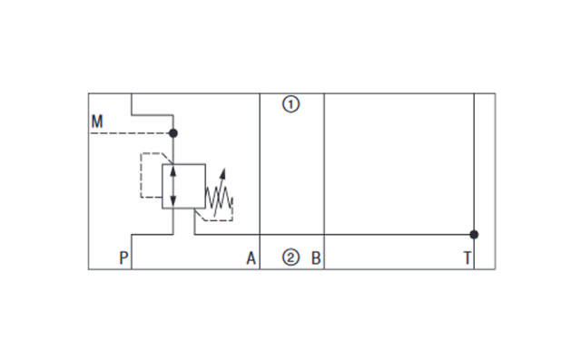
Sandwichventil Trykreduktion
3021800
På lager
Forespørg på produkt
Produktforespørgsel
Close product request modal
Filer
Links
https://www.parker.com/content/dam/Parker-com/Literature/Hydraulic-Valve-Division/hydraulicvalve/Catalog-sections-for-websphere/Sandwich-Valves/ZDR.pdf
Links
https://www.parker.com/content/dam/Parker-com/Literature/Industrial-Systems-Division-Europe/Catalogues/Industrial-Valves-UK/07/ZDR-UK.pdf
Favorite list updated